greatenick ®   09-May-2024 12:17

Berg Propulsion. CPP System. Operation & Service Manual


Year: 2009
Language: English
Author: Berg Propulsion
Genre: Manual
Format: PDF
Quality: eBook
Number of pages: 402
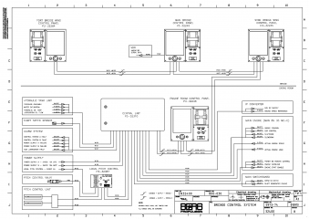
Description: This manual describes how to operate and maintain a BCP propeller with a BCX type OD box.

Contents

Screenshots

Berg. Propulsion with CPP. Service Manual.pdf

Download [19 KB]

Thank U
Reply
refresh list

Similar releases

MAN B&W - AutoChief C20 Instruction Manual for MAN B&W MC Engines with Fixed Propeller…
Kongsberg AutoChief®C20 MAN MC Engines Fixed Pitch Propeller - Konsberg Maritime A.S [2008, PDF]
Caterpillar 3208 Diesel Engine Service Manual - CATERPILLAR [201*, PDF]
Mitsubishi S6R Series Service Manual - MITSUBISHI HEAVY INDUSTRIES, LTD [2010, PDF]
The evolution of engineering in the Royal Navy. Vol. 1: 1827-1939 - Rippon, P.M. [1988, PDF]
Porsgrunn Rotary Vane Steering Gear System (Type 800-600/2) - User Manual - Aker Porsgrunn AS…
Shaft generators for low speed main engines - MAN [2012, PDF]
Sperry Marine Navigat 200 Gyrocompass manual - Sperry Marine [2018 01 30, PDF]
Manual for furling mast electric - Seldén Group [2014, PDF]
Operator’s Manual for Engine Room Simulator ERS L11 5L90MC VLCC (Version MC90-V) - Kongsberg [2009,…
LOAD MORE
  • Reply

The time now is: Today 00:25

All times are GMT + 3 Hours