Year: 2006 Version: Free Demo Developer: Unitest Platform: Windows 64-bit OS compatibility: yes Localization: English Crack: NO System Requirements: Minimal:
Windows 8.1 with latest updates
Internet Explorer 11
CPU: Intel Core i3
RAM: 4 GB
Hard Disk free space: 5GB
Monitor with FHD resolution (1920×1080)
Recommended:
Windows 10 with latest updates
Internet Explorer 11 / Edge
CPU: Intel Core i5
RAM: 8GB
Hard Disk free space: 5GB
Two Monitors with FHD resolution (1920×1080)
(This is posted by Unitest, the monitors are overkill — it looks better on a 4:3 ratio anyway) Description: This copy of Steam Engine Room 2 (LNG) is still under the Unitest License Management system (ULM). I am publishing this in the hope that someone more skilled than me will be able to remove the hardlock and make it usable for everyone, for free.
Comment: This copy of Steam Engine Room 2 (LNG) is still under the unitest license management system (ULM). I am publishing this in the hopes that someone more skilled than me will be able to remove the hardlock and make is useable for everyone, for free.
You cannot post new topics in this forum You cannot reply to topics in this forum You cannot edit your posts in this forum You cannot delete your posts in this forum You cannot vote in polls in this forum You cannot attach files in this forum You cannot download files in this forum
Steam Engine Room 2 LNG (ULM)
Version: Free Demo
Developer: Unitest
Platform: Windows
64-bit OS compatibility: yes
Localization: English
Crack: NO
System Requirements:
Minimal:
- Windows 8.1 with latest updates
- Internet Explorer 11
- CPU: Intel Core i3
- RAM: 4 GB
- Hard Disk free space: 5GB
- Monitor with FHD resolution (1920×1080)
Recommended:- Windows 10 with latest updates
- Internet Explorer 11 / Edge
- CPU: Intel Core i5
- RAM: 8GB
- Hard Disk free space: 5GB
- Two Monitors with FHD resolution (1920×1080)
(This is posted by Unitest, the monitors are overkill — it looks better on a 4:3 ratio anyway)Description:
This copy of Steam Engine Room 2 (LNG) is still under the Unitest License Management system (ULM).
I am publishing this in the hope that someone more skilled than me will be able to remove the hardlock and make it usable for everyone, for free.
ULM_Port = 4834
Password = Pass343w2
My username is: paps
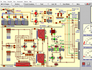
Screenshots
SER2_(ULM)
Download [9 KB]
Share